Welke beveiliging bepaalt de
weerstandswaarde?
Een wisselspanning hoger
dan 50 V is gevaarlijk.
Bij een foutsituatie
(bijvoorbeeld een kortsluiting tussen fase en een metalen omhulsel),
bepaalt de foutstroom en de circuitweerstand (waar deze stroom doorheen
loopt), de spanning die uiteindelijk op het metalen omhulsel zal komen
te staan.
De beveiliging
(zekering/automaat) in de installatie zorgt ervoor, dat de stroom
binnen een bepaalde tijd afgeschakeld wordt, zodat bijvoorbeeld een 50
V spanning binnen de toegestane tijd van maximaal 0,2
sec.(TN-stelsel 0,4 sec) afgeschakeld wordt.
(Voor bepaalde zones in badruimte, zwembaden geldt een maximale
aanrakingsspanning van 12 V. Voor veeteelt, landbouw, tuinbouw, bouw-
en sloopterreinen is deze spanning 25V.)
Bepalend in deze
foutsituatie zijn dus de beveiligingen (zekering/automaat) en de
circuitweerstanden.
Een vuistregel is; de
maximale circuitweerstand is gelijk aan 40 / In (bij
B-automaten).
Waarbij In de nominale stroom van een beveiliging (zekering/automaat)
is.
Maar welke beveiliging is hierbij
bepalend?
Kunststof
verdeelinrichting:
Bij de normale gangbare
kunststof verdeelinrichtingen zijn ook de aardrails of -klemmen en de
beschermingsleidingen geïsoleerd van andere metalen delen, die
eventueel aan de buitenkant zitten van de verdeelinrichting. We kunnen
stellen dat bij een defect in een kunststof verdeelinrichting geen
gevaar optreedt voor aanraking van spanningsvoerende delen.
In dit geval mag men
uitgaan van de grootste beveiliging van de afgaande groepen
van de verdeelinrichting.
Bij meerdere
verdeelinrichtingen, waar bijvoorbeeld de eerste verdeelinrichting een
andere verdeelinrichting voedt, mag men uitgaan van de grootste
beveiliging van de afgaande groepen die geen andere verdeelinrichting
voedt:
- Mits men er van overtuigd
is dat beschadigingen van de leidingaanleg tussen de
verdeelinrichtingen, niet te vrezen valt.
Bepalend daarbij is dat de leidingaanleg achter de
verdeelinrichting bestaat uit:
- beschermleidingen,
aardrails, aardklemmen moet opdezelfde manier als actieve geleiders
zijn
gemonteerd (geisoleerd)
- een kabel zonder
aardscherm of metalen afscherming
- of draad in een kunststofbuis.
- En waarbij de verdeelinrichtingen op dezelfde hoofdaardrail zijn
aangesloten.
Metalen verdeelinrichting:
Bij een metalen
verdeelinrichting zal het omhulsel, bij een defect, wel onder spanning
kunnen komen te staan.
In dit geval moet men
uitgaan van de beveiliging vóór de
metalen verdeler.
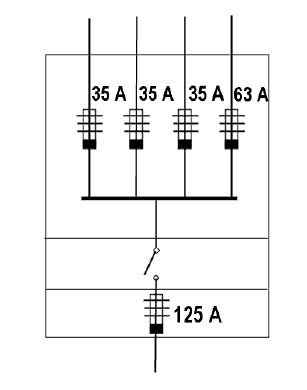
Voorbeelden:

Kunststof
verdeelinrichting:
Voor het bepalen van Ra
mag rekening worden gehouden met de grootste afgaande groep (63 A).
In alle andere gevallen
dient rekening te worden gehouden met de beveiliging van 125 A.

Meerdere kunststof
verdeelinrichtingen:
Grootste afgaande groep:
16 A
Mits zich tussen de
verdeelinrichtingen:
- beschermleidingen behandelen als actieve geleiders, aardrails geisoleerd
- een kabel zonder aardscherm of metalen afscherming
- of draad in een kunststofbuis.
Daarbij dienen de verdeelinrichtingen op dezelfde hoofdaardrail te zijn
aangesloten.
|